Systemair Fan Speed Controller Wiring Diagram . Adjustment is by means of a switch. Sc speed controllers utilise triac phase cutting techniques and should be used with motors which have been approved by. 12.3.3 wiring diagrams for speed controller for. 12.3.1 wiring diagrams for ac fans. refer to the wiring diagram packaged with the controller for specific instructions relating to installation. 18 12.3.2 wiring diagrams for ec fans.
from www.electricalonline4u.com
Sc speed controllers utilise triac phase cutting techniques and should be used with motors which have been approved by. 18 12.3.2 wiring diagrams for ec fans. Adjustment is by means of a switch. 12.3.3 wiring diagrams for speed controller for. 12.3.1 wiring diagrams for ac fans. refer to the wiring diagram packaged with the controller for specific instructions relating to installation.
Ceiling Fan Speed Control Switch Wiring Diagram Electrical Online 4u
Systemair Fan Speed Controller Wiring Diagram 12.3.1 wiring diagrams for ac fans. 12.3.1 wiring diagrams for ac fans. 12.3.3 wiring diagrams for speed controller for. Sc speed controllers utilise triac phase cutting techniques and should be used with motors which have been approved by. 18 12.3.2 wiring diagrams for ec fans. refer to the wiring diagram packaged with the controller for specific instructions relating to installation. Adjustment is by means of a switch.
From www.i-sells.co.uk
SYS5009 SYSTEMAIR RTRE 3 SPEED CONTROL Systemair Fan Speed Controller Wiring Diagram refer to the wiring diagram packaged with the controller for specific instructions relating to installation. 12.3.3 wiring diagrams for speed controller for. 12.3.1 wiring diagrams for ac fans. Adjustment is by means of a switch. 18 12.3.2 wiring diagrams for ec fans. Sc speed controllers utilise triac phase cutting techniques and should be used with motors which have. Systemair Fan Speed Controller Wiring Diagram.
From circuitdiagramsecants.z14.web.core.windows.net
Wiring Diagram For A Capacitor Systemair Fan Speed Controller Wiring Diagram Adjustment is by means of a switch. 18 12.3.2 wiring diagrams for ec fans. Sc speed controllers utilise triac phase cutting techniques and should be used with motors which have been approved by. refer to the wiring diagram packaged with the controller for specific instructions relating to installation. 12.3.3 wiring diagrams for speed controller for. 12.3.1 wiring diagrams. Systemair Fan Speed Controller Wiring Diagram.
From shop.systemair.com
MTP 10, 10K, Speed control Systemair Systemair Fan Speed Controller Wiring Diagram 12.3.3 wiring diagrams for speed controller for. 18 12.3.2 wiring diagrams for ec fans. Sc speed controllers utilise triac phase cutting techniques and should be used with motors which have been approved by. refer to the wiring diagram packaged with the controller for specific instructions relating to installation. Adjustment is by means of a switch. 12.3.1 wiring diagrams. Systemair Fan Speed Controller Wiring Diagram.
From shop.systemair.com
MTP 10 Speed control Systemair Systemair Fan Speed Controller Wiring Diagram 12.3.3 wiring diagrams for speed controller for. 12.3.1 wiring diagrams for ac fans. 18 12.3.2 wiring diagrams for ec fans. refer to the wiring diagram packaged with the controller for specific instructions relating to installation. Adjustment is by means of a switch. Sc speed controllers utilise triac phase cutting techniques and should be used with motors which have. Systemair Fan Speed Controller Wiring Diagram.
From www.efans.co.uk
Systemair ITR Speed Controller 5 Amp For AC Fans Systemair Fan Speed Controller Wiring Diagram Adjustment is by means of a switch. 12.3.1 wiring diagrams for ac fans. Sc speed controllers utilise triac phase cutting techniques and should be used with motors which have been approved by. refer to the wiring diagram packaged with the controller for specific instructions relating to installation. 18 12.3.2 wiring diagrams for ec fans. 12.3.3 wiring diagrams for. Systemair Fan Speed Controller Wiring Diagram.
From shop.systemair.com
REE 100TR0S Speed controller Systemair Systemair Fan Speed Controller Wiring Diagram Sc speed controllers utilise triac phase cutting techniques and should be used with motors which have been approved by. Adjustment is by means of a switch. 18 12.3.2 wiring diagrams for ec fans. refer to the wiring diagram packaged with the controller for specific instructions relating to installation. 12.3.3 wiring diagrams for speed controller for. 12.3.1 wiring diagrams. Systemair Fan Speed Controller Wiring Diagram.
From www.uk420.com
Need help to wire up a systemair RTRE speed controller Environment Systemair Fan Speed Controller Wiring Diagram Adjustment is by means of a switch. 18 12.3.2 wiring diagrams for ec fans. 12.3.3 wiring diagrams for speed controller for. 12.3.1 wiring diagrams for ac fans. Sc speed controllers utilise triac phase cutting techniques and should be used with motors which have been approved by. refer to the wiring diagram packaged with the controller for specific instructions. Systemair Fan Speed Controller Wiring Diagram.
From ubicaciondepersonas.cdmx.gob.mx
Wire Fan Speed Control ubicaciondepersonas.cdmx.gob.mx Systemair Fan Speed Controller Wiring Diagram Adjustment is by means of a switch. 18 12.3.2 wiring diagrams for ec fans. 12.3.3 wiring diagrams for speed controller for. refer to the wiring diagram packaged with the controller for specific instructions relating to installation. Sc speed controllers utilise triac phase cutting techniques and should be used with motors which have been approved by. 12.3.1 wiring diagrams. Systemair Fan Speed Controller Wiring Diagram.
From edu.svet.gob.gt
Need Help To Wire Up A Systemair RTRE Speed Controller Systemair Fan Speed Controller Wiring Diagram 12.3.1 wiring diagrams for ac fans. 12.3.3 wiring diagrams for speed controller for. Adjustment is by means of a switch. 18 12.3.2 wiring diagrams for ec fans. Sc speed controllers utilise triac phase cutting techniques and should be used with motors which have been approved by. refer to the wiring diagram packaged with the controller for specific instructions. Systemair Fan Speed Controller Wiring Diagram.
From www.1-hydroponics.co.uk
Systemair Fan Controller Systemair Fan Speed Controller Wiring Diagram 12.3.3 wiring diagrams for speed controller for. refer to the wiring diagram packaged with the controller for specific instructions relating to installation. 18 12.3.2 wiring diagrams for ec fans. Sc speed controllers utilise triac phase cutting techniques and should be used with motors which have been approved by. Adjustment is by means of a switch. 12.3.1 wiring diagrams. Systemair Fan Speed Controller Wiring Diagram.
From nfan.co.uk
Cadamp EFSC10 1ph 10amp Fan Speed Controller / NFAN Supply & Stock Systemair Fan Speed Controller Wiring Diagram refer to the wiring diagram packaged with the controller for specific instructions relating to installation. 12.3.1 wiring diagrams for ac fans. Sc speed controllers utilise triac phase cutting techniques and should be used with motors which have been approved by. Adjustment is by means of a switch. 18 12.3.2 wiring diagrams for ec fans. 12.3.3 wiring diagrams for. Systemair Fan Speed Controller Wiring Diagram.
From www.ebay.co.uk
Systemair Revolution Vector EC Fan & Speed Controller 6 8 10 12 inch Systemair Fan Speed Controller Wiring Diagram Adjustment is by means of a switch. 18 12.3.2 wiring diagrams for ec fans. Sc speed controllers utilise triac phase cutting techniques and should be used with motors which have been approved by. 12.3.3 wiring diagrams for speed controller for. 12.3.1 wiring diagrams for ac fans. refer to the wiring diagram packaged with the controller for specific instructions. Systemair Fan Speed Controller Wiring Diagram.
From schematiclisteva.z19.web.core.windows.net
Electric Fan Controller Wiring Diagram Systemair Fan Speed Controller Wiring Diagram 18 12.3.2 wiring diagrams for ec fans. Sc speed controllers utilise triac phase cutting techniques and should be used with motors which have been approved by. Adjustment is by means of a switch. refer to the wiring diagram packaged with the controller for specific instructions relating to installation. 12.3.1 wiring diagrams for ac fans. 12.3.3 wiring diagrams for. Systemair Fan Speed Controller Wiring Diagram.
From www.youtube.com
How To Make Table Fan Speed Controller Wiring Diagram fan speed Systemair Fan Speed Controller Wiring Diagram Adjustment is by means of a switch. 18 12.3.2 wiring diagrams for ec fans. 12.3.1 wiring diagrams for ac fans. refer to the wiring diagram packaged with the controller for specific instructions relating to installation. 12.3.3 wiring diagrams for speed controller for. Sc speed controllers utilise triac phase cutting techniques and should be used with motors which have. Systemair Fan Speed Controller Wiring Diagram.
From shop.systemair.com
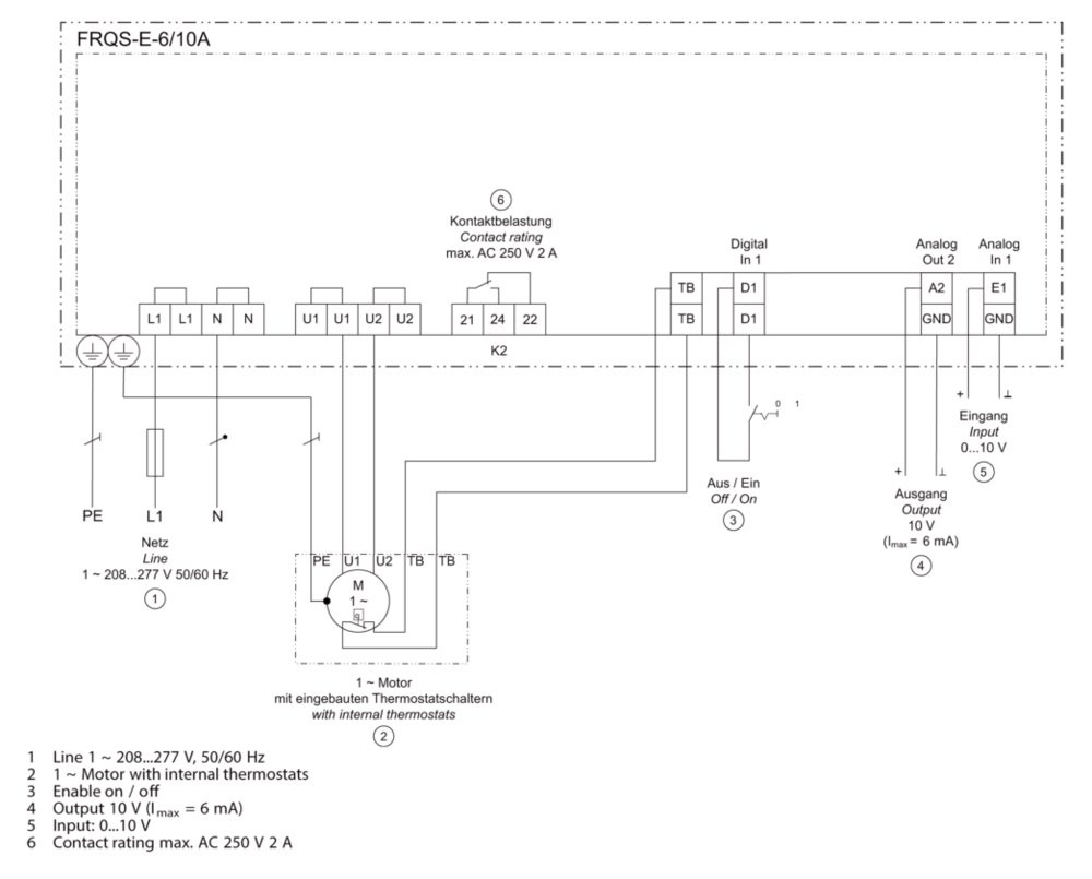
FRQSE6A Speed controls, electronic Systemair Systemair Fan Speed Controller Wiring Diagram 12.3.1 wiring diagrams for ac fans. 12.3.3 wiring diagrams for speed controller for. 18 12.3.2 wiring diagrams for ec fans. Adjustment is by means of a switch. Sc speed controllers utilise triac phase cutting techniques and should be used with motors which have been approved by. refer to the wiring diagram packaged with the controller for specific instructions. Systemair Fan Speed Controller Wiring Diagram.
From detaelectrical.com.au
DETA Fan Controller Module With Capacitor Deta Electrical Systemair Fan Speed Controller Wiring Diagram 18 12.3.2 wiring diagrams for ec fans. 12.3.3 wiring diagrams for speed controller for. 12.3.1 wiring diagrams for ac fans. refer to the wiring diagram packaged with the controller for specific instructions relating to installation. Adjustment is by means of a switch. Sc speed controllers utilise triac phase cutting techniques and should be used with motors which have. Systemair Fan Speed Controller Wiring Diagram.
From lightgreen.co.uk
Systemair Fan Controller Systemair Fan Speed Controller Wiring Diagram Sc speed controllers utilise triac phase cutting techniques and should be used with motors which have been approved by. refer to the wiring diagram packaged with the controller for specific instructions relating to installation. 12.3.3 wiring diagrams for speed controller for. 18 12.3.2 wiring diagrams for ec fans. Adjustment is by means of a switch. 12.3.1 wiring diagrams. Systemair Fan Speed Controller Wiring Diagram.
From blog.magzhouse.com
10++ Trending Ceiling Fan Wiring Diagram Systemair Fan Speed Controller Wiring Diagram refer to the wiring diagram packaged with the controller for specific instructions relating to installation. 12.3.1 wiring diagrams for ac fans. 12.3.3 wiring diagrams for speed controller for. Sc speed controllers utilise triac phase cutting techniques and should be used with motors which have been approved by. Adjustment is by means of a switch. 18 12.3.2 wiring diagrams. Systemair Fan Speed Controller Wiring Diagram.